PTFE Bellows – Glass To Metal

PTFE Bellows – Glass To Metals

These bellows are used in installation of glass equipment for following purposes :

  • to minimize the transfer of vibrations from the rotating equipments which are connected to the glass assembly.
  • to accommodate the thermal expansion of any metallic (non-glass) equipment which a r e connected to the glasspipeline.

These are similar to the bellows for glass-to-glass in construction, but having adaptor bellow flange at one end. Generally this adaptor flange is supplied undrilled so that it can be drilled as per the configuration of mating flange. However, this adaptor bellow flange can be supplied drilled AS per "Table E", "Table F" or "ASA 150" standards, if Specified.

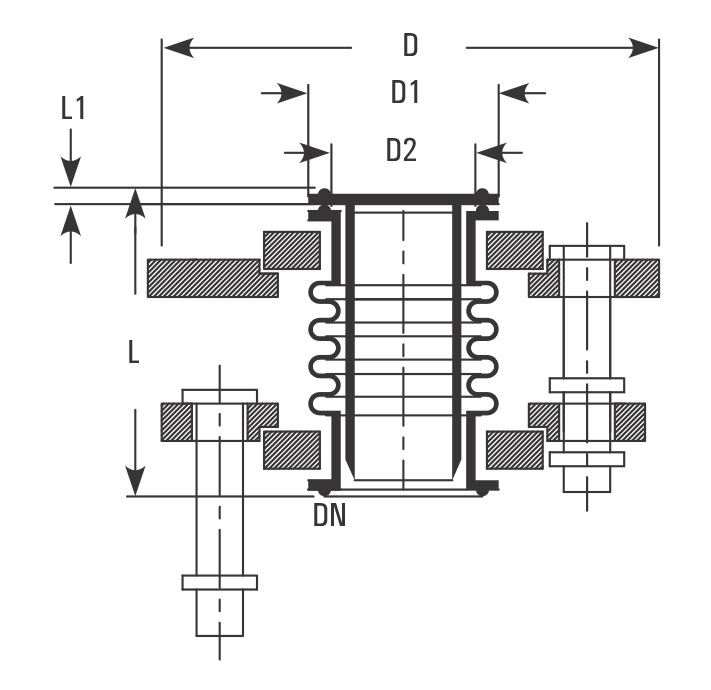
Line Bellows

Best, Top, We Serve Long Lasting PTFE Bellows – Glass To Metal, PTFE Bellows – Seller in Canada, USA, North America, Goel Scientific Glass
CAT.REF. UNDRILLED CAT.REF. TABLE E CAT.REF. TABLE F CAT.REF. ASA 150 DN D L
FBF0.5 FBF0.5/E FBF0.5/F FBF0.5/A 12 80 50
FBF0.7 FBF0.7/E FBF0.7/F FBF0.7/A 15 85 55
FBF1* FBF1/E FBF1/F FBF1/A 25 115 60
FBF1.5* FBF1.5/E FBF1.5/F FBF1.5/A 40 150 65
FBF2* FBF2/E FBF2/F FBF2/A 50 165 65
FBF3* FBF3/E FBF3/F FBF3/A 80 200 65
FBF4* FBF4/E FBF4/F FBF4/A 100 220 65
FBF6* FBF6/E FBF6/F FBF6/A 150 285 65
FBF9* FBF9/E FBF9/F FBF9/A 225 395 65
FBF12 FBF12/E FBF12/F FBF12/A 300 445 65

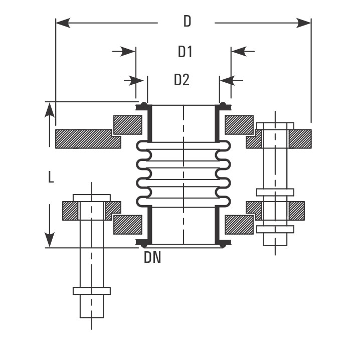
Vacuum Bellows

Best, Top, We Serve Long Lasting PTFE Bellows – Glass To Metal, PTFE Bellows – Seller in Canada, USA, North America, Goel Scientific Glass
CAT.REF. UNDRILLED CAT.REF. TABLE E CAT.REF. TABLE F CAT.REF. ASA 150 DN D L
VBF3 VBF3/E VBF3/F VBF3/A 80 200 70
VBF4 VBF4/E VBF4/F VBF4/A 100 220 70
VBF6 VBF6/E VBF6/F VBF6/A 150 285 70
VBF9 VBF9/E VBF9/F VBF9/A 225 395 70
VBF12 VBF12/E VBF12/F VBF12/A 300 445 70

Note : * marked items are available fast.

Reactor Catalogue Lab Catalogue QVF Catalogue
Inquiry Call WhatsApp