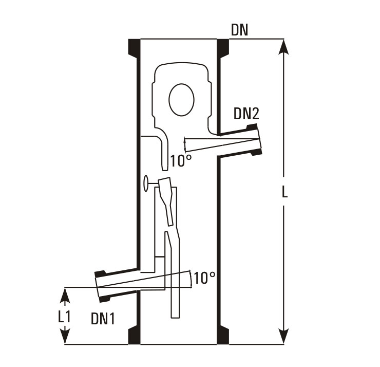
Reflux Divider

Manually Operated

Reflux dividers are used to take off the distillatefrom the column. Usually a valve is to be fitted ondistillate outlet which controls the reflux coarsely.

Best, Top, We serve  Long Lasting, Reflux Divider, Reflux Divider Products Manufacturers, Reflux Divider Manufacturer, Supplier, Seller in Canada, in the USA, in North America, Goel Scientific Glass Canada
CAT. REF. DN DN1 DN2 L L1 FREE CROSS SECTION CM2 MAX. PRODUCT L/HR
RDA3* 80 25 25 200 100 20 300
RDA4* 100 25 25 250 150 50 500
RDA6* 150 25 25 250 150 100 700
RDA9* 225 25 25 375 150 150 900
RDA12* 300 25 25 375 150 250 1100
RDA16 400 40 40 500 200 350 1300
RDA18 450 40 40 600 275 500 1500

Note: DN2 is used for insertion of a thermometer pocket. A bellow is recommended on the distillate outlet DN1.

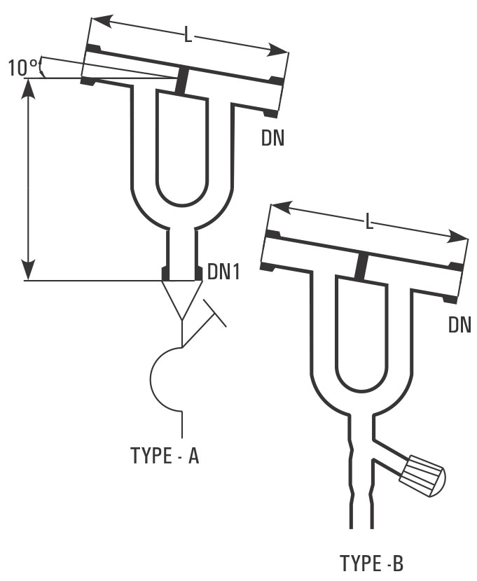
Reflux divider - Magnetically Operated :

These reflux divider are to be used with a electro-magnet and a timer. These have a swinging funnel mechanism which is operated magnetically from outside to remove the condensate or to return the reflux. Through this, correct control of reflux-ratio is possible. Funnel remains at 100% reflux position when magnet is inactive.

DN2 is used for insertion of a Thermometer Pocket. A liquid seal is recommended on the distillate outlet ofthis reflux divider to prevent the vapour passing directly to the receiver.

Best, Top, We serve  Long Lasting, Reflux Divider, Reflux Divider Products Manufacturers, Reflux Divider Manufacturer, Supplier, Seller in Canada, in the USA, in North America, Goel Scientific Glass Canada
CAT. REF. DN DN1 DN2 L L1 FREE CROSS SECTION CM2 MAX. PRODUCT L/HR
RHM3 80 25 25 375 75 20 90
RHM4 100 25 25 400 75 50 180
RHM6 150 25 25 450 100 100 300
RHM9 225 25 25 550 100 150 500
RHM12 300 25 25 700 100 250 650
RHM16 400 40 40 800 150 350 1000
RHM18 450 40 40 900 150 500 1300

Pneumatic Reflux Divider :

Best, Top, We serve  Long Lasting, Reflux Divider, Reflux Divider Products Manufacturers, Reflux Divider Manufacturer, Supplier, Seller in Canada, in the USA, in North America, Goel Scientific Glass Canada
CAT. REF. DN DN1 DN2 L
RPH3 80 25 25 250
RPH4 100 25 25 250
RPH6 150 40 25 250
RPH9 225 40 50 375
RPH12 300 40 50 375

Thermometer Pockets For Reflux Divider :

These thermometer pockets are to be used with reflux dividers or column sections. DN refers to the nominal diameter of the Reflux divider or Column.

Best, Top, We serve  Long Lasting, Reflux Divider, Reflux Divider Products Manufacturers, Reflux Divider Manufacturer, Supplier, Seller in Canada, in the USA, in North America, Goel Scientific Glass Canada
CAT. REF. DN DN1 d L
TP3* 80 25 12 75
TP4* 100 25 12 100
TP6* 150 25 12 125
TP9* 225 25 12 175
TP12* 300 25 12 200
TP16 400 40 19 250
TP18 450 40 19 300

Liquid Seals

Liquid seals are to be fitted on the distillate outlet of magnetically operated reflux divider. This prevent the passing of vapour passing directly to the receiver.

Best, Top, We serve  Long Lasting, Reflux Divider, Reflux Divider Products Manufacturers, Reflux Divider Manufacturer, Supplier, Seller in Canada, in the USA, in North America, Goel Scientific Glass Canada
CAT. REF. DN DN1 L TYPE
LS1* 25 25 200 A
LS1.5 40 25 300 A
LSV1 25 200 B
Reactor Catalogue Lab Catalogue QVF Catalogue
Inquiry Call WhatsApp