Boilers

Boilers are used for vaporization of liquids by passing the steam in the coils. Boilers are made by fusing number of parallel coils in a glass shell. In Boilers, coils are designed to provide bigger cross section in the shell side as compared to condensers. o The average heat transfer in Boilers is considered as 350 Kcal/m2,hr, C at a steam pressure of 3.5 bar.

Best ,Top, We serve the Boilers, Boilers Products, Boilers prices, use of Boilers, Boilers compatibility, Manufacturers, in Canada, Goel Scientific Glass USA
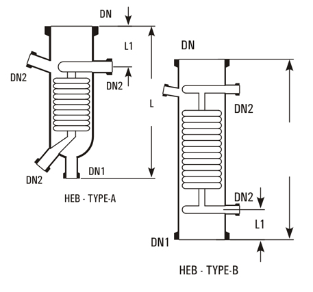
CAT. REF. DN DN1 DN2 L L1 TYPE Actual
H.T.A.
m2
FREE
CROSS
AREA
CM2
JACKET CAP. LITRE
HEB4 100 25 25 375 100 A 0.15 40 2
HEB4/4 100 100 25 400 100 B 0.15 40 3
HEB6 150 40 25 450 100 A 0.35 50 5
HEB6/6 150 150 25 500 100 B 0.35 50 7
HEB9 225 40 25 700 100 A 1.00 150 16
HEB9/9 225 255 25 700 100 B 1.00 180 20
HEB12/12 300 300 25 700 125 B 1.30 330 40
Note on use of Boilers :
  • Vapours should be passed through shell only.
  • Steam should be passed in the coils at a maximum pressure of 3.5 bar which is equalant to a temperature of 147 °C.
  • For higher temperature (maximum upto 200 °C) heat transfer fluids can be passed in the coils. – Cold liquids
  • Cold liquids should be preheated for better results.
  • Boilers should bemounted in an external circulatory loop (as shown in figure) and not direct at the bottom of flask or column
  • Under certain circumstances, boilers can be mounted in series to provide larger heat transfer area.
Best ,Top, We serve the Boilers, Boilers Products, Boilers prices, use of Boilers, Boilers compatibility, Manufacturers, in Canada, Goel Scientific Glass USA
Reactor Catalogue Lab Catalogue QVF Catalogue
Inquiry Call WhatsApp