Jacketed Vessels

For special applications, cylindrical vessels can be supplied with a jacket for heating or cooling. Jacket is sealed to the vessel with Viton ‘O’ ring and other sealing compositions. The seal prevents high stresses between vessel and jacket by allowing the movement flexibility between two due to thermal expansion.

Jacketed Vessels

Glass Jacket can be used for a maximum operating pressure of 0.5 bar and a maximum o operating temperature of 130 C in jacket. The temperature difference between jacket & vessel 0 should not be exceed than120 C.

We serve the Best Jacketed Vessels, Jacketed Vessels with Stirrer Jacketed Vessels Wide range of Jacketed Vessels Manufacturers, Goel Scientific Glass Canada. USA Ontario, Quebec, BC Alberta
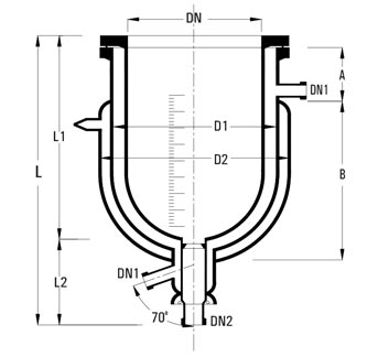
CAT.REF. L L1 L2 A B D1 D2 DN DN1 DN2 TYPE
VZD5/6 500 325 125 75 275 165 215 150 25 25 A
VZD10/9 575 400 125 90 340 230 280 225 25 25 B
VZD20/12 625 450 125 100 385 315 370 300 25 40 B
VZD30/12 750 575 175 100 510 315 370 300 25 40 B
VZD50/12/14 1050 875 175 315 365 300 25 40 C
VZD50/16/20 825 650 175 415 500 400 25 40 C
VZD100/20/24 955 780 175 516 600 500 25 40 C
VZD200/24/28 1175 1000 175 615 700 600 25 40 C

Jacketted Vessels (Triple Wall)

Goel is presenting Flexi (Detachable) “Transparent Double Jacketed Vessel” to maintain the leading position in industry by way of developing indigenously newer products with higher value towards their Mission and to cater the customer via innovation.

Salient Features of Jacketed Vessel

  • Made from SCHOTT DURAN

Vacuum Jacket ensures

  • Transparent insulation
  • Minimum heat loss.
  • Process visibility.
  • Minimize frost formation for cryogenics operation.

Vacuum Jacket ensures

  • Ease of cleaning.
  • No breakages due to thermal expansion.
  • Partial Replacement of any part can be possible reduce the maintenance cost.
We serve the Best Jacketed Vessels, Jacketed Vessels with Stirrer Jacketed Vessels Wide range of Jacketed Vessels Manufacturers, Goel Scientific Glass Canada. USA Ontario, Quebec, BC Alberta
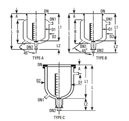
CAT.REF. L L1 L2 A B D1 D2 DN DN1 DN2
VZT5/6/8 620 350 175 75 310 215 275 150 25 25
VZT10/9/12 700 420 175 90 370 315 390 225 25 25
VZT20/12/14 675 500 175 125 368 365 423 300 25 40
VZT50/16/18 825 650 175 200 350 465 523 400 25 40
Inquiry Call WhatsApp